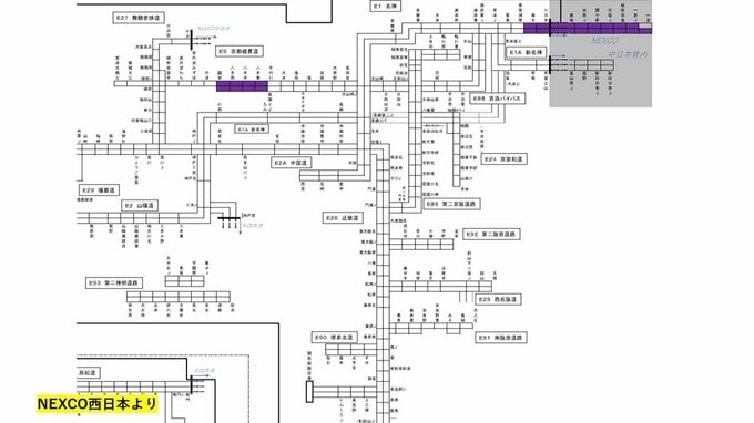
大雪で高速道路を『通行止め』にする可能性 名神高速など近畿と中部の広範エリアを公表 NEXCO中日本・西日本 毎日放送 2026年1月20日(火) 18:11 国内 地図で見る通行止め可能性区間 ネクスコ中日本管内は以下の区間です。 ネクスコ西日本管内は以下の区間です。
「お金ないし誰の子どもかわからない」路上で赤ちゃん出産…傍聴から見えた女の半生「風俗店勤務でホテル転々…給料の大半はホスト通いに」「過去12回の出産」「妊娠を相談する人がいなかった」 2023/07/04