大動脈「山陽道」も 中国・四国地方の予防的通行止めの可能性がある区間は?
▼中国地方
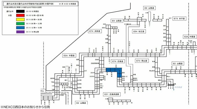
【山陽道】
・高屋JCT~広島IC 11日正午以降

▼四国地方
【徳島道】
・井川池田IC~川之江JCT 11日午前6時以降
【高知道】
・川之江東JCT~大豊IC 11日午前6時以降

▼中国地方
【山陽道】
・高屋JCT~広島IC 11日正午以降

▼四国地方
【徳島道】
・井川池田IC~川之江JCT 11日午前6時以降
【高知道】
・川之江東JCT~大豊IC 11日午前6時以降








